科学研究的脚步一直在悄然前进,4月材料领域研究又有着新突破,金属、新能源以及基础理论等方面都有着重大的进展,简要看看Nature期刊所刊登的重大科研成果吧!
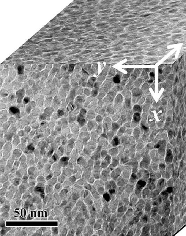
1、Nature: 双相纳米结构铸就史上最强镁合金

法国国家HTH官网地址 科学院院士、香港城市大学副校长吕坚(通讯作者)等人通过磁控溅射法将直径约6 nm的MgCu2晶粒均匀地嵌入约2 nm厚的富含镁的无定形壳中,生产获得具有非晶/纳米晶双相结构的镁基超纳尺寸双相玻璃晶(SNDP-GC)。该双相材料结合并加强了纳米晶材料与非晶纳米材料的优势,在室温下表现出接近理想强度,并且解决了样品尺寸效应问题。所制成的镁合金体系是由埋在无定型玻璃壳中的纳米晶核组成,所得双相材料的强度是近乎理想的3.3 GPa,这也是迄今为止强度最大的镁合金薄膜。
文献链接:Dual-phase nanostructuring as a route to high-strength magnesium alloys(Nature, 2017, DOI: 10.1038/nature21691)
材料牛资讯详戳:香港城市大学吕坚最新Nature: 双相纳米结构铸就史上最强镁合金
2、Nature: 首次利用Pt/α-MoC催化剂实现低温甲醇/水反应产氢

北京大学马丁与中国科学院大学周武、山西煤化所温晓东以及大连理工大学石川(共同通讯作者)等人研制了双功能Pt/MoC甲醇液相重整制氢复合催化剂体系,利用程序升温渗碳工艺将甲烷和氢气同各种前驱体混合在一起,制成多种铂改性的碳化钼催化剂。与β-Mo2C相比,α-MoC和铂的相互作用更加强烈,使得高温活化过程中铂在α-MoC表面处于一种原子级分散态,产生一个极高密度的电子-缺陷表面Pt位点,可吸附/活化甲醇。同时,α-MoC表现出极高的水解离活性,在反应过程中产生丰富的表面羟基,加速铂与α-MoC界面处反应中间体的重整。
文献链接:Low-temperature hydrogen production from water and methanol using Pt/α-MoC catalysts(Nature, 2017, DOI: 10.1038/nature21672)
材料牛资讯详戳:北大马丁团队最新Nature: 首次利用Pt/α-MoC催化剂实现低温甲醇/水反应产氢
3、Nature: 最低晶格错配与高密度纳米析出相联手打造超强钢!

北京HTH官网地址 大学吕昭平教授(通讯作者)课题组通过创新超高强度钢的合金设计理念,发展了超强韧的高密度有序Ni(Al,Fe)纳米颗粒强化高性能新型马氏体时效钢。新型超高强韧钢的强化基于最低错配度下获得最大程度弥散析出和高剪切应力的创新思想,一方面通过“点阵错配度最小化”,显著降低金属间化合物颗粒析出的形核势垒,促进颗粒均匀弥散分布,显著提高强化颗粒的体积密度和热稳定性,低错配度共格界面结合小尺度有效缓解增强颗粒周边微观弹性畸变,改善材料宏观均匀塑性变形能力;另一方面,引入“有序效应”作为主要强化机制,有效阻碍位错对增强相颗粒的切过作用,从而获得优异综合性能的新型马氏体时效钢。
文献链接:Ultrastrong steel via minimal lattice misfit and high-density nanoprecipitation(Nature,2017,DOI:10.1038/nature22032)
材料牛资讯详戳:北科大吕昭平Nature重磅:最低晶格错配与高密度纳米析出相联手打造超强钢!
4、Nature: 通过石墨烯实现远距离外延生长,高效高质量的转移二维材料!

麻省理工学院 (MIT) Jeehwan Kim (通讯作者) 等人报道了在石墨烯夹层存在下,仍可实现在GaAs基底上同质外延生长GaAs层的工作。通过密度泛函理论计算发现在一定距离内,两GaAs晶面间隙中仍存在电子分布。且实验结果表明,石墨烯较弱的范德华势不能完全屏蔽基底和外延层间的相互作用,从而实现了在单层石墨烯夹层存在下远距离同质外延生长GaAs,InP和GaP。该方法生长的GaAs等材料为高质量单晶,且石墨烯夹层的存在使外延层可以快速完整的从基底剥离。用该方法制备的AlGaInP-GaInP 双异质结LEDs的性能也可与直接在GaAs基底上外延生长制备的LEDs相匹敌。
文献链接:Remote epitaxy through graphene enables two-dimensional material-based layer transfer (Nature, 2017, DOI: 10.1038/nature22053)
材料牛资讯详戳:Nature: 通过石墨烯实现远距离外延生长,可高效高质量的转移二维材料
5、Nature: 沉积过程中光对钙钛矿膜成核及形貌的影响

瑞士洛桑联邦理工学院Michael Grätzel教授(通讯作者)等人报道了光照对金属卤化物(碘化铅)和有机化合物(甲基碘化铵)反应的影响。采用两步连续沉积的形式,先沉积结晶形成碘化铅薄膜样品,再将所获得的碘化铅薄膜样品浸泡在甲基碘化铵(MAI)溶液中制成钙钛矿。并利用共焦激光扫描荧光显微镜和扫描电子显微镜对整个反应进行了观察,发现光可以加速连续沉积法中钙钛矿的形成,并能影响钙钛矿膜的形貌使电池的效率提升一倍。与此相反,在通过反溶剂法一步形成钙钛矿膜的过程中,研究人员发现当在黑暗环境中,生长的钙钛矿薄膜能使电池获得最佳的光伏性能。结果表明光线对于目前使用的主要沉积方法(连续沉积法和反溶剂法)中的钙钛矿的形成速率和膜形貌有很大的影响。
文献链接:The effect of illumination on the formation of metal halide perovskite films (Nature, 2017, DOI: 10.1038/nature22072)
材料牛资讯详戳:大牛Nature速递: Michael Grätzel带你探索沉积过程中光对钙钛矿膜成核及形貌的影响
6、Nature: 3D打印透明石英玻璃

德国卡尔斯鲁厄理工学院的Bastian E. Rapp(通讯作者)等人提出了“液体玻璃”的系统,即将优良的玻璃粉末分散在适宜液体中,形成悬浮液。3D打印机便可对此纳米复合材料直接加工,再经过热处理,除去多余部分,即可得到各种形状的玻璃,其精度只受3D打印机准确度的影响。这种打印的石英玻璃无孔,透明性好且表面光滑。通过掺杂金属盐,可得到各种颜色的玻璃制品。
文献链接:Three-dimensional printing of transparent fused silica glass (Nature, 2017, DOI:10.1038/nature22061)
材料牛资讯详戳:Nature:3D打印透明石英玻璃
7、Nature: 二维分子晶体本征铁磁性的发现!

美国加州大学伯克利分校的张翔院士(美国国家工程院院士、台湾中央研究院院士)、雷干城院士(美国国家科学院院士、美国艺术与科学学院院士)和Jing Xia(共同通讯作者)等人借助扫描磁光克尔显微镜揭示了Cr2Ge2Te6原子层中本征的长程铁磁有序性。在这个软磁、二维分子铁磁体材料中,利用很小的磁场(小于0.3 T),首次实现了对转变温度(铁磁和顺磁状态间发生转变时的温度)的调控,与磁场下、三维体系材料转变温度的不敏感性有明显的对比。同时发现施加非常小的磁场时,较不施加状态的磁晶各向异性,将会导致更大的有效各向异性,开放更大的自旋波激发间隙。利用重整化的自旋波理论对所观察到的现象进行分析,推断在二维铁磁分子晶体中,转变温度与磁场间的关系是其本征的特异性。
文献链接:Discovery of intrinsic ferromagnetism in two-dimensional van der Waals crystals(Nature,2017,DOI:10.1038/nature22060)
材料牛资讯详戳:张翔院士Nature重磅: 二维分子晶体本征铁磁性的发现!
8、Nature: 原子线表面光激结构转变

杜伊斯堡-埃森大学M. Horn-von Hoegen(通讯作者)等人报道了负载在Si表面的原子In线在光激发下,350飞秒内就会发生了电荷密度波从低到高对称态的转变。光激发作用下,打断和生成In-In键,导致软声子的非热激发,这些软声子与多种由Si表面对称破裂引起的表面和界面声子耦合,在临界阻尼核运动限上驱动了结构转变。这个发现证实了小心调控电子激发可产生不均衡的能量表面从而在量子限度,界面上驱动结构动力学发生。
文献链接:Optically excited structural transition in atomic wires on surfaces at the quantum limit(Nature,2017,DOI:10.1038/nature21432)
9、Nature: 利用三维分区模型预测晶体生长

曼彻斯特大学Michael W. Anderson(通讯作者)等人提出利用动力学三维分区模型以理解,并从理论上预测不同类型晶体生长,包括缺陷结构的掺入、结晶习性和表面拓扑的同步分子尺度模拟。这将结构划分为自然构建和瞬时出现的亚稳态泰森多边形。这些单元适配于通过蒙特卡洛算法得出的晶体重构。这个方法对于预测不同晶体类型,包括沸石、MOF、方解石、廖苏和L-胱氨酸等的晶体生长都是有效的。
文献链接:Predicting crystal growth via a unified kinetic three-dimensional partition model(Nature,2017,DOI:10.1038/nature21684)
本文由材料人学术组大黑天供稿,材料牛编辑整理。
材料牛网专注于跟踪材料领域HTH官网地址 及行业进展,如果您对于跟踪材料领域HTH官网地址 进展,解读高水平文章或是评述行业有兴趣,点我加入编辑部。
投稿以及内容合作可加编辑微信:xiaofire-18,吴玫,我们会拉各位老师加入专家群。
欢迎大家到材料人宣传HTH官网地址 成果并对文献进行深入解读,投稿邮箱tougao@cailiaoren.com。
仪器设备、试剂耗材、材料测试、数据分析,找材料人、上测试谷!
材料人网尊重所有进行知识传播的媒体,转载请联系tougao@cailiaoren.com。





