如何作出如下图所示的规范XRD谱图,是SCI论文写作的一项基本素质。今天就谈一下我个人的作图经验,供大家参考!

图1 某材料的XRD图谱
首先样品经过XRD分析仪分析后,可以输出供Jade打开的数据(当然也可以直接输出txt格式的数据)。通过Jade打开数据后,对比标准图谱确认数据是否可靠,可靠的数据我们将通过Jade输出测试数据和标准图谱的txt格式数据,然后将txt格式数据通过excel过渡到origin里面,通过origin进行图形绘制。

图2 读取XRD分析仪输出的文件
Jade可以通过recall读取单个测试数据,也可以通过read pattern files(file菜单下第一个)读取整个文件夹数据。将数据读取到Jade中就会出现上图二的界面。



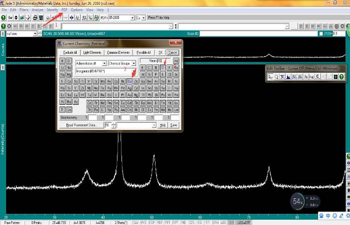
找数据对应的标谱有很多种,介绍一种简单快速方法,选PDF菜单下的chemistry打开上图三所示的元素周期表,在元素周期表中选择确定有的元素和可能有的元素然后点击ok,会出现很多相关物质的标谱,单击后出现对应的峰值线可以和下面的测试谱图进行对比配对,找到合适的可以Add进去。
如图四中的物质对应Cu的标准图谱,但是前面未对应的峰值需要继续找标准谱图对比,结合我个人的实验可以确定为Cu2O,所以可以得出如下猜测:1.制Cu的实验未还原完全导致存在部分Cu2O。2.制Cu2O的实验还原过度生成了Cu。3.制成的Cu长期保存,有少量氧化。
具体的结论需要结合自己的实际情况。同时双击物质标谱你可以得到图五所示的物质晶体学参数,这些参数常用的就是2-Theta角和峰值强度,当然信息远不止于此。你可以通过Print、Export、Copy等手段得到这些数据。

最后在File菜单下通过save你可以将测试数据进行多种格式保存,也可以通过Print Setup得到图六的XRD图继续进行编辑!

得到的标谱数据导入到origin里面作出标准XRD图谱的线图(选取数据再点Line即可)。

然后在线图的空白处右击打开菜单,点开如上图所示的Plot Details(或者直接双击线图中的线)。将Line改成Scatter;Size改成0;Drop Lines中选择Vertical。点击OK完成就会出现下图的标谱图线啦!

接下来就是添加测试数据了,这一步很重要!同样在图形空白出右击打开菜单,点击Plot Setup添加book1里面的XRD测试数据。选择book1;Plot Type中选择Line;Show里面选择book1数据中对应的X、Y轴数据;点击Add添加book1数据到标准线图中(一定要点Add,否则未完成添加)。点击OK完成图形就合并了!


剩下的就是修图了,因为图中三条XRD数据图强度值相差不大,我们可以通过调整数据值改变他们之间的间隙,同列数据的加减乘除是允许的(加减不会改变图的轮廓,乘除可以可以起到放大缩小的作用,记得按需搭配使用即可)。




最后通过调节标尺、图形优化、添加文本就可以得到漂亮的XRD标准谱图了(图十四),这些相信大家自己就可以做到!随后可以在File菜单下选择Export Graphs出图,出图的细节大致说一下。
选择需要的图片格式,一般png;改图片名字;改存储文件夹;修改尺寸;修改分辨率,一般SCI的书面打印要求至少是300(这个很有用的,以前不知道的时候都是过渡到PS中调分辨率,后来发现origin自带有,自己是有多蠢!)。
那么最后,希望对您有所帮助,做出属于自己的XRD美图!
本文由材料人编辑部学术干货组 Shadow 供稿,材料牛编辑整理。
欢迎优秀硕、博士生加入材料人编辑部学术干货小组,一起传播学术知识,展现你的才华, 助力材料科研,优秀稿件一经录用,我们会奉上稿酬,赶快私信管理员负责人“淡年华( QQ:601416321) ”报名吧!
欢迎各大课题组到材料人宣传HTH官网地址 成果并对文献进行深入解读,投稿邮箱tougao@cailiaoren.com。





